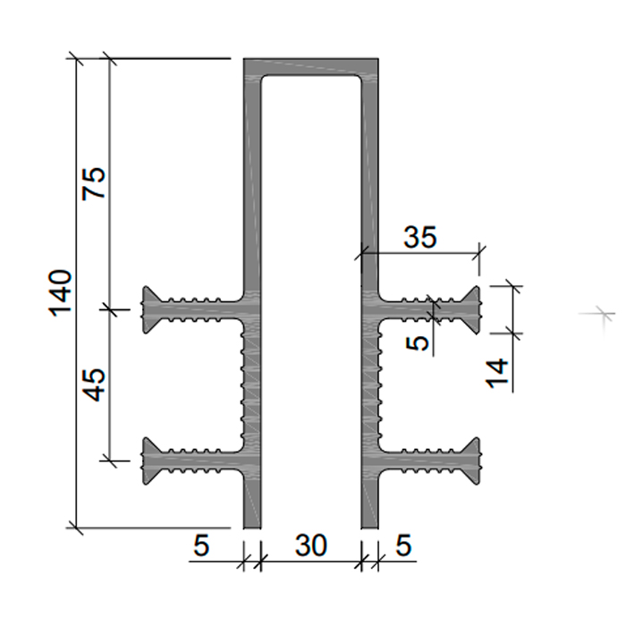
Гидрошпонка АКВАСТОП ДЗ-140/30-4/35 ПВХ-П

Код: 00-00018732
Нет в наличии
Колокольчик
Нет в наличии
Доставка: CDEK / Деловые Линии
Характеристики
Тип товараГидрошпонка
МатериалПВХ-П
ПроизводительАКВАСТОП
Ширина (мм)140
Значок Бесплатная доставка*
Значок Официальный дилер
Значок Простой возврат
Описание

Гидрошпонка АКВАСТОП ДЗ-140/30-4/35 ПВХ-П – это надежное решение для герметизации деформационных швов и стыков в строительных конструкциях. Она обеспечивает эффективную защиту от проникновения влаги, повышая долговечность и устойчивость сооружений. Изделие отличается высокой эластичностью, устойчивостью к внешним воздействиям и длительным сроком службы.

Применение

  • Гидроизоляция деформационных швов в бетонных конструкциях
  • Защита стыков в подземных сооружениях, тоннелях и метро
  • Герметизация швов в мостах, эстакадах и путепроводах
  • Использование в резервуарах, бассейнах и очистных сооружениях
  • Применение в промышленных и гражданских зданиях для предотвращения протечек

Преимущества

  • Высокая устойчивость к механическим нагрузкам и деформациям
  • Отличная адгезия к различным поверхностям
  • Долговечность и сохранение свойств в широком температурном диапазоне
  • Простота монтажа и возможность использования в сложных условиях
  • Эффективная защита от коррозии и разрушения строительных конструкций
Характеристики
Тип товара
Гидрошпонка
Материал
ПВХ-П
Производитель
АКВАСТОП
Ширина (мм)
140
Назначения
Для промышленного оборудования , Для швов и стыков , Для бассейнов , Для резервуаров , Для мостов
Отзывы (0)
0 отзывов (0 / 5)
Сначала показывать
Вопросы (0)
Сертификаты
Доставка и оплата

Выбранный товар и услуги Вы можете легко и быстро оплатить удобным для Вас способом.

Способы оплаты

  • Наличными водителю-экспедитору. При получении заказа (за исключением заказов с товарами, требующими услуг колеровки, распила или резки)
  • Банковской картой водителю-экспедитору. При получении заказа (за исключением заказов с товарами, требующими услуг колеровки, распила или резки)
  • Наличными или банковской картой в магазине. При получении заказа (за исключением заказов с товарами, требующими услуг колеровки, распила или резки)
  • Банковской картой на сайте

Безналичный расчет

Если покупка в интернет-магазине совершается организацией или иным юридическим лицом, то оплата производится по счету, который выставляет менеджер интернет-магазина. Срок оплаты счета – до 3 дней. Срок забора товара со склада – до 5 дней. При необходимости возможно продление ериода оплаты счета - для этого нужно связаться со своим менеджером.

ВНИМАНИЕ: если получателем заказа выступает юридическое лицо, то для получения груза необходима доверенность от организации-плательщика, оформленная надлежащим образом. Расчеты наличными денежными средствами граничены по сумме в соответствии с законодательством РФ

Доставка

Ранее вы просматривали
Нет в наличии
Колокольчик
Нет в наличии
Последняя цена
559 ₽/шт
Колокольчик
Нет в наличии
Колокольчик
Нет в наличии
Последняя цена
2 487 ₽/упак
Колокольчик
Нет в наличии
Колокольчик
Нет в наличии
Колокольчик
Нет в наличии
Колокольчик
Нет в наличии
Последняя цена
462 ₽/шт
Колокольчик
Нет в наличии
Колокольчик
Нет в наличии
Последняя цена
4 140 ₽/шт
Колокольчик